|
| |
| Einführung in die
Haustechnik

|
|

|
Dieses
3-Tage Seminar vermittelt den Kursteilnehmern einen Überblick über die
wichtigsten physikalischen Prinzipien (inkl. SI-Einheiten), die in der
Haustechnik zur Anwendung kommen. Weiter wird ein Überblick vermittelt
über die aktuellen Komponenten und Lösungen für:
- Wärmeerzeugung und Wärmeverteilung
- Luftaufbereitungsanlagen
- Einzelraumlösungen
Erbrachte Leistungen:
Vorbereitung und Durchführung eines Seminars in englischer Sprache für
Siemens Building Technologies in Brüssel (Belgien)
|
|

|
<<
zurück zu Referenzen Schulungen
|
| Steuern und Regeln von
Heizungsanlagen

|
|

|
Dieses
3-Tage Seminar vermittelt den Kursteilnehmern einen Überblick über die
wichtigsten, aktuellen Regel- und Steuerfunktionen in Heizungsanlagen (mit
vielen praxisorientierten Übungen) für:
- Wärmeerzeugung mit
Heizkessel, Mehrkesselanlagen
- Wärmeverteilung
- Brauchwassererwärmung
- Wärmepumpenanlagen
- Solaranlagen
Erbrachte Leistungen:
Vorbereitung und Durchführung verschiedener Seminare
Siemens Building Technologies in Zug (CH) und Frankfurt (D)
|
|
|
Komplettes Kursangebot:
Fachkompetenz durch praxisorientierte Schulung bei
Siemens Schweiz, Building Technologies
|
|

|
Schulungsangebot
bei Siemens Building Technologies Deutschland
<< zurück zu
Referenzen Schulungen
|
| Steuern und Regeln von
Lüftungsanlagen

|
|

|
Dieses
3-Tage Seminar vermittelt den Kursteilnehmern einen Über-
blick über die
wichtigsten, aktuellen Regel- und Steuerfunktionen in Lüftungsanlagen (mit
vielen praxisorientierten Übungen):
- Thermodynamische Grundlagen und
h-x-Diagramm
- Temperatur- und Feuchteregelung
- WRG-Apparate und Vereisungsschutz
- Teil- und Vollklimaanlagen
- Luftnachbehandlung
Erbrachte Leistungen:
Vorbereitung und Seminar-Durchführung bei
Siemens Building Technologies in Zug (CH)
|
|

|
<<
zurück zu Referenzen Schulungen
|
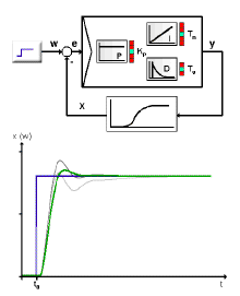
| Grundlagen der Mess- und
Regeltechnik

|
|

|
Dieses
3-Tage Seminar vermittelt den Kursteilnehmern die Grundlagen der Mess- und
Regeltechnik in Theorie und Praxis (Regelkreis-Simulatoren).
- Grundlagen Messtechnik
- Einführung in Regeltechnik
- Regelkreis, Regelstrecke(n)
- Regeleinrichtung (P-, PI-, PID-Regler)
- geschlossener Regelkreis
- Einstellregeln (Ziegler/Nichols; Chien,
Hrones, Reswick)
- Versuche mit Regelkreis-Simulator
Erbrachte Leistungen:
Vorbereitung und Durchführung eines Seminars in englischer Sprache für
Siemens Building Technologies in Brüssel (Belgien)
|
|

|
<<
zurück zu Referenzen Schulungen
|
| Grundlagen Hydraulik in
haustechnischen Anlagen

|
|

|
Dieses
2-Tage Seminar vermittelt den Kursteilnehmern die Grundlagen der Hydraulik
für haustechnische Anlagen
- Hydraulische Verbraucher- und Verteiler-
schaltungen
- Wichtige Kennlinien in hydraulischen
Anlagen, wie Wärmeübertrager-Kennlinie, Ventil-Kennlinie, ....
- Stellglied-Dimensionierungen
- Hydraulischer Abgleich und andere
kritische Punkte
Erbrachte Leistungen:
Vorbereitung und Durchführung des Seminars für SBT Deutschland in
Frankfurt
|
|